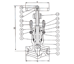
| 压力自紧式阀盖 |
| 产品类别:截止阀系列 |
|
|
产品详细介绍:
双正锻钢截止阀有三种阀盖设计形式。第一种是螺栓式阀盖,按这种设计形式设计的阀门,其阀体与阀盖用螺栓螺母连接,缠绕式垫片 (316夹柔性石墨制造)密封。客户有特殊要求时也可采用金属环连接。第二种设计形式是焊接式阀盖,按这种设计形式的阀门,其阀体与阀盖用螺纹连接,全焊密封。客户有特殊要求时也可采用全焊逶连接。第三种是压力自紧式阀盖,按这种设计形式设计的阀门,其阀体与阀盖用螺纹连接,内压自密封环密封。
截止阀设计结构与说明特征
截止阀的设计与制造符合 APl602,BS53 52和ASME B16.34。检验与测试按APl598,标记按MSS-SP-25。
|
采用以下结构:
全径或缩径
明杆支架式
自定心压板压套式
螺栓连接、缠绕垫片密封式阀盖;螺纹连接、全焊密封式阀盖以及螺纹连接内压自紧式阀盖
整体式上密封座
承插端符合 ASME B16.11
螺纹连接端 (NPT)符合ANSl/SME B1.20.1
阀瓣可变换为节流型、针型、球型和止回阀 |
|
锻钢截止阀800lb:
 
标准材质明细表
|
序号
|
零件名称
|
CS to ASTM
|
AStoASTM
|
SS to ASTM
|
|
TypeAl05
|
Type f22
|
Type F304(L)
|
Type F316(L)
|
|
l
|
阀体
|
A105
|
A182 F22
|
A182 F304(L)
|
A182 F316(L)
|
|
2
|
阀瓣
|
A276 42()
|
A276 F304
|
A276 F304(L)
|
A276 F316(L)
|
|
3
|
阀杆
|
A182 F6
|
A182 F304
|
A182 F304(L)
|
A182 F316(L)
|
|
4
|
垫片
|
3l6夹柔性石墨
|
316夹SS+PTFE
|
|
5
|
阀盖 Bonnet
|
A105
|
A276 304
|
A276 304(L)
|
A276 316(L)
|
|
6
|
阀盖螺栓
|
A193 B7
|
A193 B16
|
A193 B8
|
A193 B8M
|
|
7
|
圆柱销
|
A276 420
|
A276 304
|
|
8
|
填料压套 Gland
|
A276410
|
A182 F304(L)
|
Al 82 F316(L)
|
|
q
|
活节螺栓
|
A193 B7
|
A193 B16
|
A193 B8
|
A193 B8M
|
|
10
|
填料压板
|
A216 WCB
|
A351 CF8
|
|
11
|
螺母
|
A194 211
|
A194 4
|
A194 8
|
A194 8M
|
|
12
|
阀杆螺母
|
A276 410
|
|
13
|
螺母
|
A194 2H
|
A194 4
|
A194 8
|
A194 8M
|
|
14
|
铭牌
|
SS
|
|
15
|
手轮
|
A197
|
|
16
|
填料
|
柔性石墨
|
PTFE
|
|
适用介质
|
水、蒸汽、油品等
|
水、蒸汽、油品等
|
硝酸、醋酸等
|
|
适用温度
|
-29℃~425℃
|
-29℃~550℃
|
-29℃~1扪℃
|
注意:客户需求的其他材质也可采用。密封面材料配对由客户指定内件代号决定。 CS=碳钢;AS=合金钢;SS=不锈钢 |
尺寸(MM)和重量(KG):
|
NPS
|
缩径
|
3/8
|
1/2
|
3/4
|
1
|
1 1/4
|
1 1/2
|
2
|
/
|
|
全径
|
/
|
3/8
|
1/2
|
3/4
|
1
|
1 1/4
|
1 1/2
|
2
|
|
L
|
79
|
79
|
92
|
11 1
|
120
|
152
|
l72
|
200
|
|
H(开OPEN)
|
l66
|
1 66
|
171
|
207
|
240
|
258
|
330
|
355
|
|
W
|
100
|
1 00
|
l 00
|
1 25
|
160
|
160
|
180
|
200
|
|
重量
|
螺栓式
|
1 9
|
1.9
|
2.1
|
3.5
|
6.0
|
7.5
|
11.4
|
l4 6
|
|
焊接式
|
1 7
|
l 7
|
1 9
|
3 3
|
5 2
|
6 8
|
l0.6
|
13 8
|
|
|
锻钢截止阀 900lb-1500lb:
 
标准材质明细表
|
序号
|
零件名称
|
CS to ASTM
|
AS to ASTM
|
SS to ASTM
|
|
TypeA105
|
Type F22
|
Type F304(L)
|
Type F316(L)
|
|
1
|
阀体
|
A105
|
A182 F22
|
A182 F304 F304(L)
|
A182 F316(L)
|
|
2
|
阀瓣
|
A276420
|
A276 304
|
A276 304(L)
|
A276 F316(L)
|
|
3
|
阀杆
|
A182 F6
|
A182 F304
|
Al82 F304(L)
|
A182 F316(L)
|
|
4
|
垫片
|
3 l 6夹柔性石墨
|
3l6夹SS+PTFE
|
|
5
|
阀盖
|
A105
|
A276 304
|
A276 304(L)
|
A276 316(L)
|
|
6
|
阀盖螺栓
|
A193 B7
|
A193 B16
|
A19388
|
A193 B8M
|
|
7
|
圆柱销
|
A276420
|
|
|
|
8
|
填料压套
|
A276410
|
A182 F304(L)
|
A182 F316(L)
|
|
9
|
活节螺栓
|
A193 B7
|
A193816
|
A193 B8
|
A193 B8M
|
|
10
|
填料压板
|
A216 WCB
|
A35 l CF8
|
|
11
|
螺母
|
A1942H
|
A1944
|
A194 8
|
A194 8M
|
|
12
|
阀杆螺母
|
A276410
|
|
13
|
销紧螺母
|
A1942H
|
A1944
|
A194 8
|
A194 8M
|
|
14
|
铭牌
|
SS
|
|
15
|
手轮
|
A 197
|
|
16
|
填料
|
柔性石墨
|
PTFE
|
|
适用介质
|
水、蒸汽、油品等
|
水、蒸汽、油品等
|
硝酸、醋酸等
|
|
适用温度
|
-29℃~425℃
|
-29℃~550℃
|
-29℃~180℃
|
注意:客户需求的其他材质也可采用。密封面材料配对由客户指定内件代号决定。 CS=碳钢;As合金钢;SS不锈钢 |
尺寸(mm)和重量(kg):
|
NPS
|
缩径
|
3/8
|
1/2
|
3/4
|
1
|
1 1/4
|
1 1/2
|
2
|
/
|
|
全径
|
/
|
3/8
|
1/2
|
3/4
|
1
|
1 1/4
|
1 1/2
|
2
|
|
L
|
92
|
111
|
111
|
120
|
152
|
l72
|
200
|
220
|
|
H(开OPEN)
|
171
|
207
|
207
|
240
|
258
|
330
|
355
|
370
|
|
W
|
100
|
1 25
|
l 25
|
160
|
160
|
180
|
200
|
240
|
|
重量
|
螺栓式
|
2.2
|
3.7
|
3 6
|
6.8
|
7.6
|
11.6
|
15.0
|
21.9
|
|
焊接式
|
2.O
|
3.4
|
3 3
|
6.O
|
5.6
|
10.3
|
14.2
|
18.0
|
|
|
锻钢自密封截止阀900lb-2500lb:

标准材质明细表
|
序号
|
零件名称
|
CStoASTM
|
AStoASTM
|
SS toASTM
|
|
TypeAl05
|
TypeAl82F22
|
TypeAl82 F304
|
TypeAl82 F316(L)
|
|
l
|
阀体
|
A105
|
A182F22
|
A182 F304(L)
|
A182 F316fLl
|
|
2
|
阀瓣
|
A276420
|
A276 304
|
A276 304fLl
|
A276 316fLl
|
|
3
|
阀杆
|
A182 F6
|
A182 F304
|
A182 F304(L)
|
A182 F316fLl
|
|
4
|
密封座
|
A105
|
A182F304
|
A1 82 F304(L1
|
A182 F316fLl
|
|
5
|
密封环
|
A182 F304L
|
A182 F316fLl
|
|
6
|
阀盖
|
A105
|
A182F22
|
A182F 304fL)
|
A182 F 316fLl
|
|
7
|
圆柱销
|
A276 420
|
|
|
8
|
垫圈
|
A105
|
A182 F22
|
A182 F304(L) A182 F316(L)
|
|
9
|
提升螺母
|
A1942H
|
A194 4
|
A194 8 A194 8M
|
|
10
|
填料
|
柔性石墨
|
SS+PTFE
|
|
11
|
填料压套
|
A276 420
|
A182 F304
|
|
12
|
填料压板
|
A216 WCB
|
A35l CF8
|
|
13
|
活节螺栓
|
A19387
|
A193816
|
A19388
|
A19388M
|
|
14
|
螺母
|
A194 2H
|
A194 4
|
A194 8
|
A194 8M
|
|
l5
|
阀杆螺母
|
A276—410
|
|
l6
|
手轮
|
A197
|
|
l7
|
铭牌
|
SS
|
|
18
|
螺母
|
A194 2H
|
A194 4
|
A194 8
|
A194 8M
|
|
适用介质
|
水、蒸汽、油品等
|
水、蒸汽、油品等
|
硝酸、醋酸等
|
|
适用温度
|
-29℃~425℃
|
-29℃~550℃
|
-29℃~1 80℃
|
注意:客户需求的其他材质也可采用。密封面材料配对由客户指定内件代号决定。 Cs=碳钢;As=合金钢;ss=不锈钢 |
尺寸(MM)和重量(KG):
|
NPS
|
1/2″
|
3/4″
|
1″
|
1 1/4″
|
1 1/2″
|
2″
|
|
L
|
900~1 500Lb
|
140
|
140
|
140
|
178
|
178
|
2l6
|
|
2500Lb
|
186
|
186
|
186
|
232
|
232
|
279
|
|
H(开0PEN)
|
333
|
333
|
333
|
408
|
408
|
524
|
|
W
|
l60
|
160
|
180
|
200
|
250
|
280
|
|
重量
|
900~1 500Lb
|
11.2
|
10.5
|
10.1
|
21.0
|
19.6
|
40.4
|
|
2500Lb
|
12.3
|
11.6
|
10.8
|
28.0
|
26.4
|
43.8
|
|